Магнитный Смеситель Боковой Загрузки
Описание
Магнитный смеситель боковой загрузки имеет полностью герметичную конструкцию. Он использует сильное магнитное поле для обеспечения бесконтактного вращения, что обеспечивает работу без протечек. Данный магнитный смеситель боковой загрузки используется для обработки взрывоопасных, воспламеняемых, токсичных веществ.
Особенности Магнитного Смесителя Боковой Загрузки
1. Магнитный смеситель боковой загрузки обеспечивает максимальную эффективность смешивания при низком коэффициенте потребления энергии. Данный смеситель потребляет всего 1/3-2/3 энергии обычной смесительной установки.
2. Благодаря полностью герметичной конструкции и бесконтактному вращению, данный магнитный смеситель работает без протечек.
3. Дизайн и длина вала данного магнитного смесителя боковой загрузки может быть настроена по требованию заказчиков.
Примечание
При использовании данного оборудования, следует уделять внимание температуре и давлению, а также наличию агрессивных или твердых веществ для смешивания.
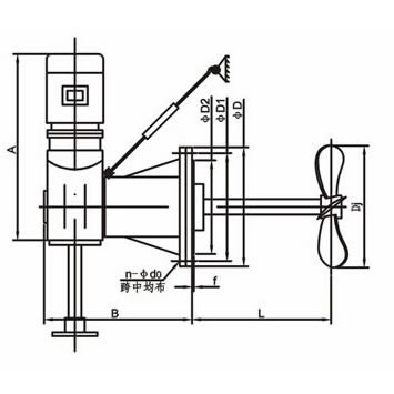
Основные Технические Характеристики Магнитного Смесителя Боковой Загрузки
| Серия | Скорость (об/мин) | Мощность | A | B | D | D1 | D2 | f | n-do | DJ | Вес |
| CMC100 | 0-500 | 2.2 | 800 | 863 | 360 | 320 | 260 | 2 | 12-φ18 | 100-350 | 266 |
| 3 | |||||||||||
| CMC200 | 0-500 | 4 | 850 | 783 | 490 | 445 | 413 | 3 | 16-φ22 | 300-450 | 533 |
| 5.5 | |||||||||||
| CMC600 | 0-500 | 7.5 | 1050 | 819 | 595 | 555 | 518 | 3 | 20-φ26 | 400-550 | 795 |
| CMC800 | 0-500 | 11 | 1380 | 1023 | 750 | 705 | 667 | 5 | 20-φ26 | 500-600 | 1050 |
| CMC1200 | 0-500 | 15 | 1380 | 1023 | 860 | 810 | 772 | 5 | 24-φ26 | 500-700 | 1238 |
Наша компания предлагает несколько моделей магнитных смесителей: боковой, верхней и нижней загрузки. Мы являемся профессиональным производителем и поставщиком смесительного оборудования в Китае. Мы имеем более чем десятилетний опыт работы в области производства и распространения смесительного оборудования. Многочисленные модели нашего оборудования получили национальные патенты и почетные звания, они пользуются большой популярностью среди местных и зарубежных клиентов.

- Магнитный Смеситель Верхней ЗагрузкиМагнитный смеситель верхней загрузки оснащен полностью герметичной структурой. Система использует сильное магнитное поле для обеспечения бесконтактного вращения, что обеспечивает работу без протечек. Данный магнитный смеситель верхней загрузки обычно используется с легковоспламеняемыми, взрывоопасными, токсичными веществами...





