Приводной Смеситель Боковой Загрузки CR
Описание
Приводной смеситель боковой загрузки CR оснащен приводом GLEASON. Данный смеситель боковой загрузки способен справляться с проблемой протечки и обеспечивает безопасное и чистое смешивание. Для смены мешалки, нет необходимости выгрузки материала, следует лишь остановить работу механизма противодействия протечкам.
Особенности Приводного Смесителя Боковой Загрузки CR:
1. Данный смеситель состоит из двигателя, привода GLEASON, коробки передач, механического уплотнения, вала, мешалки и системы предотвращения протечек.
2. Данный смеситель с зубчатым приводом боковой загрузки отличается высокой эффективностью, отсутствием ошибки смещения, точностью, стабильностью, экономией энергии и др.
3. Данная система может быть оснащена механическим или набивным уплотнением.
4. Приводной смеситель боковой загрузки CR обеспечивает высокую эффективность при минимальном потреблении электроэнергии. Данный смеситель потребляет 1/3 – 2/3 от количества потребляемой обычными смесителями энергии.
Примечание
При выборе приводного смесителя боковой загрузки, следует обращать внимание на уровень давления, температуру, физические характеристики материала (агрессивность, твердость).
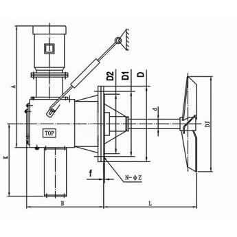
Основные Технические Характеристики Приводного Смесителя Боковой Загрузки CR
| Серия | Скорость | Мощность | A | B | L | D | D1 | D2 | f | K | N-Φz | DJ | Вес |
| CR1 | 325(4P) | 2.2 | 600 | 683 | По требованию заказчика | 360 | 320 | 260 | 3 | 650 | 12-Φ18 | 100-350 | 266 |
| 3 | |||||||||||||
| 4 | |||||||||||||
| 215(6P) | 1.5 | ||||||||||||
| 2.2 | |||||||||||||
| 3 | |||||||||||||
| CR2 | 325(4P) | 5.5 | 850 | 683 | 490 | 445 | 413 | 3 | 750 | 16-Φ22 | 300-450 | 533 | |
| 7.5 | |||||||||||||
| 215(6P) | 4 | ||||||||||||
| 5.5 | |||||||||||||
| CR3 | 318(4P) | 11 | 1050 | 819 | 595 | 555 | 518 | 5 | 950 | 22-Φ26 | 400-550 | 895 | |
| 15 | |||||||||||||
| 210(6P) | 7.5 | ||||||||||||
| 11 | |||||||||||||
| CR4 | 303(4P) | 18.5 | 1380 | 1023 | 750 | 705 | 667 | 5 | 1100 | 24-Φ26 | 500-700 | 1238 | |
| 2 | |||||||||||||
| 200(6P) | 15 | ||||||||||||
| 18.5 | |||||||||||||
| CR5 | 303(4P) | 30 | 1580 | 1220 | 860 | 810 | 772 | 5 | 1500 | 24-Φ26 | 500-700 | 1455 |
Пояснения
1. Вес в таблице – это примерный вес без учета поддерживающей базы.
2. Вес двигателя – это примерный вес внутреннего мотора, который зависит от модели и характеристик установки. В таблице указан примерный стандартный вес.
3. Если толщина стенок смесителя боковой загрузки CR слишком мала, а мощность не достаточна, следует установить дополнительную базу, для усиления всей конструкции.
4. Форма мешалки и длина вала может быть выбрана заказчиком индивидуально.
Компания TallKee Mixer Equipment является профессиональным производителем и поставщиком приводных смесителей боковой загрузки в Китае. Наша продукция представлена мешалками, портативными смесителями, диспергаторами, магнитными смесителями, смесителями с ременным приводом, смесительными установками, смесителями-гомогенизаторами и др. Мы имеем обширный опыт разработки и производства новых моделей смесительного оборудования, смесителей боковой загрузки, высокоскоростного смесительного оборудования, приводных смесителей и смесителей боковой и нижней загрузки.

- Приводной Смеситель Верхней Загрузки DLПриводной смеситель верхней загрузки DL специально разработан для смешивания веществ небольшой вязкости и для тяжелых материалов. Смеситель оснащен высокомощной надежной трансмиссией. Приводной смеситель верхней загрузки оснащен системой конических подшипников, которые позволяют настраивать уровень загрузки...










