Магнитный Смеситель Нижней Загрузки
Описание
Магнитный смеситель нижней загрузки имеет герметичную конструкцию, для вращения вала используется сильное магнитное поле, что обеспечивает стабильную работу установки без протечек. Магнитный смеситель нижней загрузки обычно применяется для смешивания огнеопасных, токсичных, воспламеняемых материалов.
Особенности Магнитного Смесителя Нижней Загрузки
1. Данный смеситель с нижней загрузкой способен работать при температуре от -60℃ до 350℃.
2. Магнитный смеситель используется при давлении от -0.1 до 22 МПа.
3. Сила вращения на выходе менее 5000 Н.м.
4. Скорость вращения данного магнитного смесителя нижней загрузки менее 1500 об/мин.
Примечания
При выборе магнитного смесителя нижней загрузки нашей компании, необходимо уделять внимание температуре и давлению, а также характеру веществ смешивания, наличия агрессивных или твердых элементов. Соединительный фланец может быть подобран в зависимости от требования заказчика.
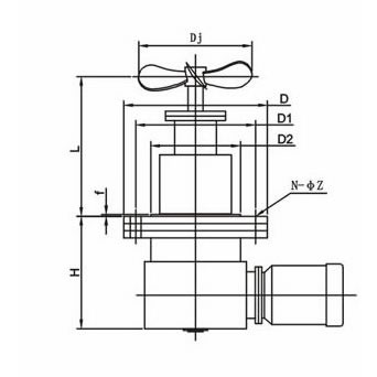
Основные Технические Характеристики Магнитного Смесителя с Нижней Загрузкой
| Модель | Мощность (кВт) | Скорость (об/мин) | Размер (установка) | Размер (по конфигурации) | Смешивание | |||||
| D | D1 | D2 | N-φ z | f | L | H | ||||
| TDC30 | 0.75-1.5 | 0-1000 | 240 | 200 | 150 | 8-φ18 | 3 | 320 | 165 | Толчковое, лопастное |
| TDC50 | 2.2-4 | 0-1000 | 300 | 265 | 230 | 8-φ18 | 3 | 450 | 186 | Толчковое, мешалка |
| TDC200 | 5.5 | 0-1000 | 350 | 300 | 250 | 12-φ18 | 3 | 530 | 243 | Толчковое, мешалка |
| TDC800 | 7.5 | 0-1000 | 450 | 400 | 350 | 12-φ18 | 5 | 650 | 266 | Толчковое, мешалка |
| TDC1600 | 11 | 0-1000 | 550 | 500 | 450 | 12-φ18 | 5 | 700 | 338 | Толчковое, мешалка |
Компания TallKee Mixer Equipment является профессиональным производителем и поставщиком магнитных смесителей нижней загрузки в Китае. Наша продукция представлена мешалками, портативными смесителями, диспергаторами, магнитными смесителями, смесителями с ременным приводом, смесительными установками, смесителями-гомогенизаторами и др. Мы экспортируем наше оборудование для смешивания в Японию, Корею, Россию, Сингапур, Канаду, Казахстан, Украину, Мексику, Армению и др. Если вас заинтересовали наши магнитные смесители, пожалуйста, свяжитесь с нами.

- Смеситель с Ременным Приводом Боковой Загрузки СРСмеситель с ременным приводом боковой загрузки СР оснащен мощной трансмиссией с ремнем, которая обеспечивает механические вращения двигателя, что позволяет смешивать материалы в баке с высокой эффективностью. Смесители с ременным приводом боковой загрузки СР применяются на электростанциях, в процесса десульфации, ферментации метана, целлюлозной ...





